



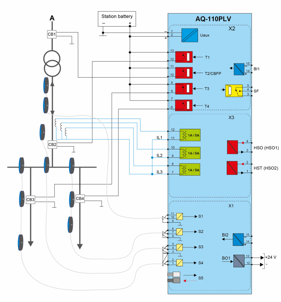
AQ-110PLV detects arc-flash by combining light and overcurrent and trips the source breaker to minimise damage. It suits new builds and retrofits in LV/MV switchgear across utilities, plants, and commercial sites.
AQ-110PLV detects arc-flash by combining light and overcurrent and trips the source breaker to minimise damage. It suits new builds and retrofits in LV/MV switchgear across utilities, plants, and commercial sites.